
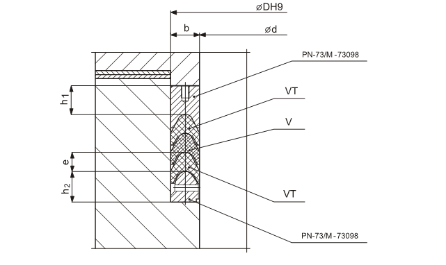
USZCZELKI TYPU V
Profil w kształcie V powoduje, że w miarę wzrostu ciśnienia medium w układzie wargi uszczelki dociskają się do powierzchni roboczej, zwiększając szczelność. Dzięki temu uszczelki typu V są idealne do aplikacji jednostronnego i dwustronnego działania w ruchu posuwisto-zwrotnym.

Typowe zastosowania

-
siłowniki hydrauliczne i pneumatyczne,
-
prasy hydrauliczne i maszyny budowlane,
-
maszyny rolnicze i górnicze,
-
instalacje przemysłowe i mobilne wymagające dynamicznego uszczelnienia wysokociśnieniowego.
Zalety uszczelek typu V
-
wysoka skuteczność uszczelnienia przy ruchu posuwisto-zwrotnym,
-
zwiększająca się szczelność wraz ze wzrostem ciśnienia,
-
odporność na zużycie i długotrwałą eksploatację,
-
możliwość pracy w układach jednostronnego i dwustronnego działania,
-
szeroka gama wymiarów i profili dostosowanych do różnych warunków pracy.


WYMIARY


